
工具/原料
- simulink
- 电脑
方式/步骤
- 1
库:Simscape / Foundation Library / Physical Signals / Lookup Tables。
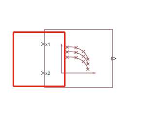
如下图所示。

- 2
申明
PS查寻表(2D)块计较给定x1,x2,f数据点的某个函数f=f(x1,x2)的近似值。两个输入和输出都是物理旌旗灯号。
经由过程指定表格网格标的目的量1参数(沿第一个轴的数据点标的目的量)、表格网格标的目的量2参数(沿第二个轴的数据点标的目的量)和表格值的二维数组(输出值的数组)来界说查寻表。块在笛卡尔网格上工作,即函数值必需在矩形数组的极点处指定。
x1和x2数据标的目的量必需严酷单调,要么增添要么削减。表格函数值的数组大小必需与输入标的目的量界说的维数匹配。也就是说,若是输入是1×m标的目的量和1×n标的目的量,则供给m×n的输出值矩阵。
该块利用选定的插值和外推方式基于输入网格查找生当作输出。您可以选择两种插值方式和两种外推方式。若是任何输入旌旗灯号值超出响应的表格栅格矢量规模,则块也可以选择发犯错误。
- 3
绘制表格数据
打印查寻表可以让您在模拟模子之前可视化数据,以确保表是准确的。该图反映了为块指定的表格数据,以及选定的插值和外推举项。
从“根本图块”右键单击“数据块”联系关系菜单中的“画图”。
- 4
输入
x1-沿第一个轴的输入值,无单元
物理旌旗灯号
沿第一个轴的输入值。
x2-沿第二轴的输入值,无单元
物理旌旗灯号
沿第二个轴的输入值。

- 5
输出
f—输出函数值,无单元
物理旌旗灯号
输出函数值,基于对两个输入值应用查找表。

- 6
参数
表格网格标的目的量1-沿第一个轴的输入值标的目的量
[1、2、3、4、5](默认)
将输入值的矢量沿第一个轴指定为1×m数组。输入值标的目的量必需严酷单调,要么增添要么削减。这些值可所以不平均距离的。对于光滑插值,标的目的量必需至少包含三个值。对于线性插值,两个值就足够了。
表格网格标的目的量2-沿第二个轴的输入值标的目的量
[1、2、3、4、5](默认)
将输入值的矢量沿第二个轴指定为1×n数组。输入值标的目的量必需严酷单调,要么增添要么削减。这些值可所以不平均距离的。对于光滑插值,标的目的量必需至少包含三个值。对于线性插值,两个值就足够了。
表值的二维数组-输入网格极点处的输出值的二维数组
[0,1,2,3,4;1,2,3,4,5;2,3,4,5,6;3,4,5,6,7;4,5,6,7,8](默认值)
将输出值指定为m-by-n矩阵,在输入网格极点界说函数值。矩阵大小必需与输入标的目的量界说的维数匹配。
插值方式-选择插值方式
线性(默认)|光滑
当输入值在两个持续网格点之间时,选择下列插值方式之一来近似输出值:
线性-对多维插值利用线性算法的扩展。该方式首先在x1偏向执行线性插值,然后在x2偏向执行线性插值。选择此选项可获得最佳机能。
光滑-利用改良的Akima插值算法。有关具体信息,请拜见tablelookup。选择此选项可生当作具有持续一阶导数的持续曲面。
外推法-选择外推法
线性(默认)|比来|错误
当输入值超出参数列表中指定的规模时,选择以下外推方式之一来确定输出值:
线性-从插值区域的边缘线性延长。线性外推的斜率等于内插区域边缘的内插曲面的斜率。
比来-从插值区域的边缘延长为常量。比来外推的值等于插值区域边缘处的插值曲面的值。选择此选项可生当作不高于数据最高点或低于数据中最低点的外推。
错误-若是任何输入旌旗灯号超出表的规模,则发犯错误。选择此选项可避免在但愿数据位于表规模内时进入外推模式。








